当前位置:主页 > 快讯 > 正文
发布时间:2020-09-28 已有: 位 网友关注
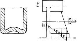
铸造件结构设计:优先受压 图 例 说 明
不合理
合理 改为内凸结构,减少拉应力;改进后加强肋受压应力 不合理 合理 改进后加强肋受压应力
电热蒸汽发生器的安全操作规范
自然语言处理系统可检测语调和
造价员应该怎样跳槽,怎样选择
一级造价工程师入门基本常识
造价企业和造价工程师管理方法
2020版最新劳务清包价、建筑成本
二级造价师最全总结
当行管部门遇到工程造价纠纷怎
中国东方航空:均瑶集团完成减
中国大模型“卷技术”!DeepSe
手机银行数字竞争力榜单发布
期权市场数据显示交易员预计
Solana网络地址数近1112万,创历史
Binance将调整XLM、ETC、ATOM等多币
|东兴证券副总经理张军辞职
Ave.ai启动6月全球Meme币交易挑战