当前位置:主页 > 快讯 > 正文

锻造结构设计:锤锻件法兰的最小锻出厚度

发布时间:2020-10-21 已有: 位 网友关注

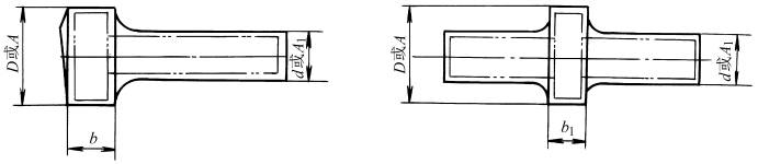
  锻造结构设计:锤锻件法兰的最小锻出厚度 锻造结构设计:锤锻件法兰的最小锻出厚度 与法兰相邻部分的 直径d或边长A1 法兰直径D或边长A <50 50~80 80~120 120~160 160~200 200~250 250~315 315~400 锻件法兰的最小锻出厚度b、b1 b b1 b b1 b b1 b b1 b b1 b b1 b b1 b b1 <40 25 15 30 22 40 30 55 42 40~50 26 20 36 28 50 39 65 51 50~65 23 18 32 25 45 36 60 48 85 65 65~80 28 22 40 33 55 45 80 60 110 80 80~100 23 18 35 30 50 42 75 55 105 75 135 100 100~120 30 26 45 38 65 50 95 70 125 95 120~160 40 33 60 45 85 65 115 90 160~200 50 38 75 58 105 80 200~250 65 50 95 70 250~315 85 60 注:⒈中间法兰按法兰直径D或边长A与相邻的较小直径d或边长A1来确定其最小锻出厚度b1。 ⒉法兰按台阶轴类锻件加放余量后,其厚度值如小于表列数值,则可增大至表列数值后再锻出。

温馨提示:所有理财类资讯内容仅供参考,不作为投资依据。